Параллельная работа насосных агрегатов с одним преобразователем частоты или «чуть-чуть не хватает»

Промышленные насосные станции, в зависимости от их производительности, содержат не менее 2-х насосных агрегатов работающих по схеме «один в работе, один в резерве», а в аварийном режиме включаются в параллель оба насоса.
При большем количестве насосных агрегатов, как правило, схема работы такая же, т.е. работа в параллель с резервным насосным агрегатом.

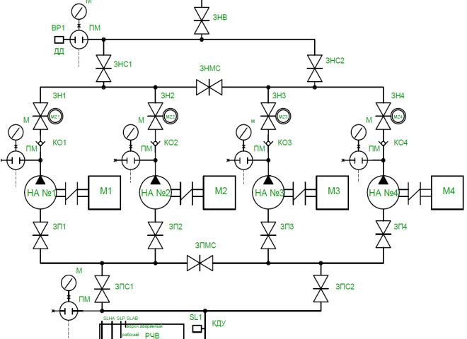
Рис.А Гидравлическая схема насосной станции с 4-мя насосами для подачи воды
Приведенная гидравлическая схема насосной станции с 4-мя насосами предусматривает работу насосов в зависимости от потребления воды. Режим потребления колеблется от минимального до максимального, что обеспечивается включением 1-го, 2-х или 3-х насосов.
В связи с увеличением цен на воду и установкой мерительных средств потребителей наблюдается резкое падение водопотребления. Расход воды в отдельные суточные промежутки настолько мал, что приходится практически закрывать задвижку без остановки насоса, т.е. расход воды регулируется дросселированием.
КПД насоса снижается, так как часть мощности двигателя расходуется непроизводительно. Мощность, затрачиваемая на дросселирование тем выше, чем больше разность давлений до и после дросселирующего устройства:
(Монтаж, наладка и эксплуатация насосных установок. В. А. Карнаухов стр.87)
где γ – объемная масса жидкости, кг/см³; Q – подача, м³/час; Δp – разность давлений до и после дросселирующего органа, м. Если Δp велико, то необходима замена насоса либо изменение способа регулирования подачи.
При этом перерасход электрической энергии существенный, а учитывая ее стоимость, то и затраты на перекачку жидкости, а значит и неизбежно рост тарифов. Если предприятия, предоставляющие услуги в данном направлении не заботятся о тарифах для потребителей, то за расходом электроэнергии следят пристально и стараются их минимизировать, устанавливая преобразователи частоты для частотного регулирования электродвигателей насосов.
При этом приобретается одно устройство для обеспечения изменения оборотов рабочего колеса насоса с целью регулирования расхода воды и существенного изменения электропотребления.
В случае, если расход воды увеличивается или откачка стоков не достаточная, то включаются дополнительные насосы, которые работают на одну магистраль параллельно.
Для обеспечения максимальной производительности насосной станции режим работы насосов устанавливается за счет открытия или закрытия задвижек (дросселирование) с контролем тока нагрузки электродвигателя. В противном случае рабочая характеристика насоса переместится за его номинальные параметры, что негативно скажется на его работе и долговечности.
В подавляющем большинстве случаев принимается решение о работе насоса с изменением оборотов рабочего колеса, т.е. установка преобразователей частоты, а не дросселирование. Решение верное, но срабатывает принцип – «чуть-чуть не хватает».
Это режим, когда основной объем перекачиваемой жидкости вполне обеспечивается одним насосом или группой, но, в отдельные временные интервалы, необходимо немного увеличить объем перекачиваемой жидкости – «чуть – чуть не хватает».
И верно принятое решение об установке преобразователей частоты заменяется дешевым решением: один двигатель насоса или группа работает от сети, а второй двигатель насоса или дополнительный от преобразователя частоты.
И вот здесь начинается самое интересное заблуждение, которое в последствие выливается в частые ремонты насосов двигатели которых работают в режиме частотного регулирования.
Кроме того желательно, чтобы все насосные агрегаты имели одинаковую наработку часов, т.е. схема управления должна отслеживать наработку часов и обеспечивать включение двигателей насосов с наименьшей наработкой.
Рассмотренный ниже материал в дальнейшем применим для насосной станции, реализованной в соответствие рис. А с точки зрения анализа режима работы насосного агрегата с частотным управлением при изменении производительности в широком диапазоне и параллельной работы насосных агрегатов при различных комбинациях управления ими.
Показано, что распространенное мнение решения проблемы производительности насосной станции типа «требуется немножко больше, чем обеспечивает один насос» путем установки частотно-регулируемого привода на один насос в расчете, что им будет добавляться не хватаемая часть подачи, во многих случаях является проблемным, т.к. насос с частотным регулированием оказывается в недопустимой рабочей области, что особенно актуально для внедрения частотно-регулируемого привода для насосных агрегатом водопроводных насосных станций (ВНС) укомплектованными насосами Д2500-62 с асинхронными электродвигателями мощностью 500 кВт, осуществляющей подачу воды из резервуара чистой воды (РЧВ) местным потребителям.
Анализ проведен для комплекта оборудования:
- Один преобразователь частоты мощностью 500 кВт, 0,69кВ
Преобразователь частоты установлен в цепь питания насосного агрегата НА №1 (далее по тексту Н1, Н2, Н3, Н4).
- Блоки автоматического управления напорными задвижками серии СР200. Блоки установлены на задвижки насосных агрегатов, питающихся непосредственно от сети (без частотного регулирования) и предназначены для автоматического ограничения тока приводного электродвигателя насоса (система регулирования замкнута по току двигателя).
- Управляющий технологический контроллер. Контроллер осуществляет групповое управление всеми четырьмя насосами и их напорными задвижками. Управление осуществляется по давлению в напорном коллекторе.
На момент внедрения системы, режим водопотребления обеспечивался работой одного насоса с частотным регулированием. В процессе эксплуатации, ни каких проблем не возникало. Однако, примерно, через 2 года после внедрения, обслуживающим персоналом было замечено, что насос с частотным регулированием стал выходить из строя чаще, чем без частотного регулирования.
При этом в определенных режимах работы в насосе появились неравномерные дополнительные шумы и вибрация. При ремонте насоса было выявлено, что износу подвергаются «компенсационные кольца», которые разделяют зоны высокого и низкого давлений в насосе.
Проведенные исследования режимов работы показали следующее:
- Оказалось, через некоторое время после внедрения, увеличился объём подачи воды насосной станции в дневное время и стал составлять, примерно, 3000 м3 /ч. Производительности одного насоса для такой подачи стало не хватать. В работу был введен дополнительный насос (без частотного регулирования) с открытием его напорной задвижки практически полностью.
Подача дополнительным насосом в этом случае становится близкой к номинальному значению – 2400 м3 /ч), а насос Н1, за счет частотного регулирования, снижает свою производительность до недостающего значения – 600 м3 /ч.
Именно в этом режиме обслуживающим персоналом и наблюдалось появление шумов и вибраций в насосе НА №1.
Следует отметить, что подобная ситуация, когда от насосной требуется подача воды «немножко больше, чем обеспечивает один насос» в практике встречается довольно часто. Традиционный способ регулирования путем дросселирования в данном случае дает наибольшие потери.
Зачастую именно это обстоятельство является обоснованием установки частотно регулируемого привода (далее -ЧРП) на один насос в расчете, что им будет добавляться не хватаемая часть подачи. При этом, к сожалению, не учитывается, что насос с частотным регулированием оказывается в недопустимой рабочей области.
Режим работы насосного агрегата с частотным управлением, работающего в системе замкнутой по давлению, при изменении его производительности приведен на рис. 1.

Рис.1. Насосный агрегат с частотным управлением в системе замкнутой по давлению
При частотном управлении по давлению рабочая точка насоса при изменении его производительности перемещается по горизонтальной линии заданного давления. Для нормальной работы насоса она должна находиться в разрешенной рабочей области. При малой производительности есть опасность попадания в зону 1, а при большой производительности – в зону 2. Работа насоса в той и другой зоне недопустима. При частотном регулировании попадание рабочей точки в зону 2 практически не встречается.
Ограничения по перегрузке преобразователя частоты (ПЧ), как правило, вступают раньше. Попадание в зону 1 можно также избежать, ограничив снижения оборотов рабочего колеса до предельно допустимых (минимальна частота). При параллельной работе двух насосных агрегатов по схеме один с ПЧ, а второй с непосредственным питанием от сети, попадание рабочей точки второго насоса в зону 2 вполне вероятно (рис.2).

Рис. 2. Параллельная работа двух насосных агрегатов с ПЧ и без ПЧ.
На рисунке показана рабочая точка насоса 2, которая при полностью открытой напорной задвижке оказывается в зоне 2. Вывести ее в рабочую область можно только путем прикрытия задвижки. Это возможно либо «ручным» способом, либо автоматически путем ограничения степени ее открывания по загрузке приводного двигателя насоса – СР (рис. 3)

Рис. 3. Ограничения степени открывания задвижки насоса без ПЧ по загрузке приводного двигателя
При работе одного насоса смещение рабочей точки в зону 1 также практически не встречается. Решается это обычно подбором насоса на стадии проектирования. При параллельной работе двух насосных агрегатов по схеме один с ПЧ, а второй с непосредственным питанием от сети, попадание рабочей точки первого насоса в зону 1 вполне вероятно.

Рис. 4. Зависимость расхода от напора и мощность НА
Подробнее о вышеописанном для двух насосов Д2500-62 с напорными характеристиками на рис.4.

Рис.4 Параллельная работа насосного агрегата Н1 Д2500-62 с частотным регулированием и работа насосного агрегата Н2 Д2500-62 без частотного регулирования в замкнутойсистеме поддержания давления в напорном коллекторе.
Режим – Нзад.= 54 м.в.ст., Q=3000 м3/ч . Точки 0, 1, 2, 3 и 4 соответствуют траектории движения рабочей точки насосов Н1 и Н2 при включении дополнительного насоса Н2 и процессу открывания его напорной задвижки.
Как видно, данный насос имеет очень небольшую рабочую область 1900-3000 м³/час.
На рисунке показан режим параллельной работы насоса Н1 с частотным регулированием и насоса Н2 без частотного регулирования в замкнутой системе поддержания давления в напорном коллекторе.
Системой автоматического управления поддерживается давление равным Hзад.= 54 м.в.ст., что составляет несколько меньше номинального напора насоса (Hном..= 62 м.в.ст.). При расходах менее номинального значения насоса (Qном..= 2500 м3/ч) регулирование осуществляется одним частотно-управляемым насосом Н1. При увеличении расхода до значения 3000 м3/ч (на рисунке точка «0») системой производится включение дополнительного насоса Н2 без частотного регулирования (условием включения дополнительного насоса является наличие рассогласования в замкнутой системе поддержания давления выше допустимого – это типовой критерий недостаточной производительности).
С этого момента на рисунке стрелками показаны траектории движения рабочих точек насосов Н1 и Н2. Включение насоса Н2 производится на закрытую задвижку (точка «0»). Далее происходит процесс открывания его напорной задвижки, в результате чего рабочая точка насоса Н2 перемещается по естественной характеристике (точки 0 – 1 – 2 – 3 – 4 на рис.4б). При этом производительность насоса Н2 становится равной 2400 м3/ч.
Одновременно системой частотного управления производится снижение производительности насоса Н1. Его рабочая точка перемещается по горизонтальной линии Hзад. (точки 0 – 1 – 2 – 3 – 4 на рис.4а) за счет снижения частоты вращения рабочего колеса насоса (снижение частоты питания с 50Гц до 44Гц). Производительность насоса Н1 в точке 4 становится равной 600 м3/ч.
Конечная точка 4 находится далеко за пределами рабочей области насоса Н1. Именно здесь и наблюдаются посторонние шумы в насосе и его вибрация. Работа насоса левее рабочей зоны при малых подачах крайне нежелательна.
Выход здесь может быть только один – распределить загрузку параллельно работающих насосов таким образом, чтобы оба насоса находились в своих рабочих зонах (или, по крайней мере, как можно ближе к ней). Из рисунка 4 видно, что для этого необходимо остановить открытие напорной задвижки насоса Н2 в точке 3. При этом производительность насоса Н1 будет равна 1350 м3/ч, а насоса Н2 1650 м3/ч.
Именно такой режим и был рекомендован службе эксплуатации. Для реализации этого режима можно использовать схему рисунка 3, но для управления задвижкой необходимо формировать команду ограничения открытия по состоянию рабочей точки насоса 1. Конечно, такой способ является не экономичным.
Есть и другой более радикальный способ устранения нежелательного режима – регулирование производительности каждого насоса производить частотным способом, т.е. в данном случае путем установки второго преобразователя частоты на насосный агрегат Н2 (рис. 5).

Рис. 5. Индивидуальное частотное регулирование каждым насосным агрегатом
Проведенное позволяет сделать следующие выводы:
- Решения проблемы производительности насосной типа «требуется немножко больше, чем обеспечивает один насос» путем установки ЧРП на один насос в расчете, что им будет добавляться не хватаемая часть подачи, во многих случаях ошибочно. Насос с частотным регулированием, зачастую, оказывается в недопустимой рабочей области, что ведет к выходу его из строя через определенное время эксплуатации чаще чем НА без ЧРП
- При установке режимов работы насосов следует обеспечивать нахождение рабочей точки каждого насоса в его рабочем диапазоне. В особенности это относится к насосам с частотным регулированием, так как при снижении частоты вращения рабочая область смещается влево. Для этого необходимо регулирование напорных задвижек для обеих НА, обеспечивающих равную подача НА, либо НА без ЧРП с подачей близкой к максимальной из расчета что при этом рабочая точка НА с ЧРП будет в приемлемых пределах и его рабочее колесо не испытывает дополнительных нагрузок. % – открытия задвижки НА без ЧРП устанавливается опытным путем и корректируется по мере износа его лопаток и образований в области подачи.
- Наиболее правильное решение это установка ЧРП для всех двигателей насосных агрегатов.
Учитывая выше изложенное, в ООО «Т Корп Групп» разработаны и реализуются шкафы управления для пуска и останова группы насосов в комплексе с задвижками с учетом реальных ситуаций, технологических особенностей функционирования схемы контроля и схемы регулирования.
Электрическая схема принципиальная содержит 1-н преобразователь частоты, 4-е устройства плавного пуска, датчики контроля давления в напорном и наличия воды в подающем коллекторах, логический контроллер для вероятностного анализа ситуаций с учётом случайных событий, требований технологического регламента, технической документации на приборы и оборудование, практического опыта работы с насосами. Схема, совместно с программой, может использоваться на всех насосных станциях водоснабжения и водоотведения, на предприятиях нефтехимии и нефтепереработке, ТЭС, АЭС.
Схема управления реализует следующие задачи и режимы работы:
- Ручной (РУЧ) пуск и останов насосов оператором по месту с включёнными блокировками и без них (контроль правильности пуска и останова со стороны контроллера отсутствует).
- Дистанционный режим (ДИСТ): с панели управления или автоматического рабочего места (далее –АРМ) технолога-оператора (с ПЭВМ).
- Автоматический режим работы (АВТ).
- Ручной (РУЧ) пуск и остановка привода напорной задвижки (далее – НЗ).
- Дистанционный (ДИСТ) пуск останов привода НЗ: с панели управления или АРМа технолога-оператора (с ПЭВМ).
- Автоматический (АВТ) режим работы НЗ с функциями вычисления %-открытия, установки расхода НА в соответствие его характеристики по току потребления или прогнозируемым параметрам.
- Реализуемые на микропроцессорных контроллерах функции.
- Информационный режим.
- Контроль напряжения питания цепей КИП и А.
- Контроль напряжения питания силового оборудования.
- Контроль положения ключа ручного, автоматического или дистанционного режима, расположенного по месту (в насосном отделении). В ручном режиме внешние цепи управления отключаются, т.е. отключается дистанционный и автоматический режимы.
- Контроль «залива» насоса (наличия воды перед НА, защита от «сухого хода»).
- Контроль сопротивления изоляции электродвигателя – опция.
- Контроль температуры подшипников электродвигателя – опция.
- Контроль давления нагнетания на выходе НА – опция.
- Контроль давления в общем напорном коллекторе.
- Контроль уровня в емкостях – опция.
- Контроль загазованности в насосном отделении – опция.
- Контроль наличия воспламенения или пожара – опция.
- Контроль состояния насосов и положения напорных задвижек каждого насоса.
- Контроль качественных характеристик электропитания – опция.
- Продолжительности работы каждого насоса.
- Контроль количества срабатываний конечных выключателей, релейно-контактной аппаратуры.
Функции управления:
- Пуск и останов насоса.
- Открытие и закрытие напорной задвижки (задвижки нагнетания) в т. ч. при задании % открытия и закрытия (опция – %- задания).
- Калибровка хода напорной задвижки по времени или количеству импульсов от момента открытия до момента закрытия.
- Открытие и закрытие задвижки на всасе насоса – опция.
- Аварийное отключение насоса.
- Выбор маршрута закачки или откачки продукта – опция, зависящая от схемы гидравлической принципиальной.
Блокировки:
Блокировка команды «Открыть задвижку» или «Закрыть задвижку» в автоматическом режиме:
- Задвижка открыта или закрыта.
- Задвижка имеет признак «Авария».
- Задвижка в ремонте.
- Отсутствует напряжения питания в электрической цепи управления задвижкой.
Блокировка команды «Пуск» насоса в автоматическом режиме:
- Напорная задвижка открыта.
- Нет «залива» насоса, блокировка пуска «на сухую».
- Сопротивление изоляции электродвигателя ниже нормы.
- Ключ напорной задвижки не переведён в положение «АВТ» или «ДИСТ».
- Напорная задвижка имеет признак «Авария».
- Отсутствует напряжение питания в электрической цепи управления задвижкой нагнетания.
- Отсутствует напряжение питания в электрической цепи управления пуском и остановом электродвигателя насоса.
- Отсутствует напряжение питания электродвигателя насоса.
- Защита от несвоевременного пуска.
- Насос имеет признак «Авария».
- Насос в ремонте.
- В случае формирования ложной, случайной команды «Пуск».
- При попытке оператором произвести закачку в ёмкость с максимальным уровнем.
Блокировка команды «Стоп» насоса в автоматическом режиме, кроме аварийного:
- Напорная задвижка открыта.
- Защита от несвоевременного останова.
В программе реализуется импульсное включение и импульсное отключение насосов с защитой от повторного несвоевременного включения насоса. Некоторые двигатели нельзя включать раньше указанного в паспорте времени. Двигатель нельзя отключать, если он не набрал номинальные обороты. Останов двигателя в момент пуска, когда пусковой ток в 5-7 раз превышает номинальный, может привести к возникновению дуги в контакторе. При пуске контролируется набор давления за заданное время, а в процессе работы контролируется давление в общем коллекторе и другие параметры.
Индикация:
(в зависимости от набора технических средств):
- всех контролируемых значений и состояний.
- хранение предыстории.
- фиксирование некорректных действий оператора и их блокирование.
Защита:
(в зависимости от набора технических средств):
- защита информации (БД-базы данных) и программ от несанкционированного доступа.
- периодическое тестирование аппаратных и программных средств.
Сигнализация:
- Для систем автоматизированного управления объектов повышенной опасности сигнализации, опционально, предъявляются особые требования с разработкой блоков интеллектуальной сигнализации.
В реальных системах предусматривается связь пуска и останова насосов с системой противоаварийной защиты.

Фото 1. Пульт ШУ
1 … 3 – лампы индикации напряжения питания, по-фазно А, В, С;
4 – переключатель с ключом, ключ-бирка, допуск к работе;
5 – кнопка с лампой индикации подачи напряжения +24В;
6 – зуммер сигнала «авария»;
7 – кнопка аварийной остановки;
8 – пульт наладки, контроля и управления ПЧ, Low – уменьшить, минимум, High – увеличить, максимум, авария ПЧ;
9 – переключатель выбора вида управления ПЧ (ручное, автоматическое);
10 – кнопка пуска или остановки ПЧ в режиме «автоматика»;
11 – переключатель пуска ПЧ в ручном режиме;
12 – потенциометр задания оборотов;
13 – переключатель режима работы напорной задвижк №1;
14 – переключатель управления НЗ №1 с подсветкой;
15 – индикатор параметров НА1;
16 – переключатель управления НА №1;
17 – лампа индикации состояния НА №1;
18 – переключатель режима работы напорной задвижки №2;
19 – переключатель управления НЗ №2 с подсветкой;
20 – индикатор параметров НА2;
21 – переключатель управления НА №2;
22 – лампа индикации состояния НА №2;
23 – переключатель режима работы напорной задвижки №3;
24 – переключатель управления НЗ №3 с подсветкой;
25 – индикатор параметров НА3;
26 – переключатель управления НА №3;
27 – лампа индикации состояния НА №3;
28 – переключатель режима работы напорной задвижки №4;
29 – переключатель управления НЗ №4 с подсветкой;
30 – индикатор параметров НА4;
31 – переключатель управления НА №4;
32 – лампа индикации состояния НА №4;
33 – ручка шкафа с замком;
34 – панель сенсорная;
35 – ручки силовых переключателй;
36 – ручка силового рубильника.

Рис. Вариант расположения оборудования в шкафу

Рис. Вариант чертежа кабельных подключений для насосов с двигателями 22 кВт
Шкаф управления с преобразователем частоты и устройствами плавного пуска является комплектной самостоятельной единицей для использования управления асинхронными двигателями в режиме частотного регулирования, плавного пуска с функцией каскадного управления и бай-пас подключения двигателя к схемам прямого запуска, а также задвижками.
Примерный комплект поставки приведено в таблице:
| Обозначение | Название | Кол. | № заводской | Примечание |
| Документация | ||||
| 39585819.0332.0000.201 Э3 | Схема электрическая принцпиальная | 1 | ||
| 39585819.0332.0100.201 Э3 | ШУ Схема электрическая принципиальная | 1 | ||
| 39585819.0332.0200.201 Э3 | ПУ ШУ Схема электрическая принципиальная | 1 | ||
| 39585819.0332.0000.201 Э6 | Схема электрическая общая | 1 | ||
| ЧА491645.011РЭ | Задвижки клиновые чугунные | 1 | ||
| ТЭ099.088-00М ТО | Электропривод задвижки | 1 | ||
| Оборудование | ||||
| 39585819.0332.0000.201 Э3 | Датчик давления WIKA S-11 | 1 | ||
| 39585819.0332.0100.201 Э7 | ШУ | 1 | 0022-0001 | |
| 39585819.0332.0200.201 Э7 | ПУ ШУ | 1 | 0022-0001 | Дверь ШУ |
| ЧА491645.011РЭ | Задвижки клиновые чугунные | 1 | 30ч906 DN100 | |
| ТЭ099.088-00М ТО | Электропривод задвижки | 1 | НА10 | |
| Насосный агрегат | 4 | по желанию | ||
Предлагаемое нами техническое решение в полном объеме реализует комфортную и долговечную работу насосного оборудования.
https://tecorp.pro/parallelnaya-rabota-nasosnyx-agregatov-s-odnim-preobrazovatelem-chastoty-ili-chut-chut-ne-xvataet