Как осуществляется управление задвижками
Задвижки – популярная запорная арматура, которая применяется на трубопроводах, транспортирующих разнообразные газы и жидкости. Рабочий орган такого устройства (клин, шибер) движется перпендикулярно потоку, перекрывая просвет трубы. Задача управления задвижкой – максимально быстро, но плавно опустить или поднять этот элемент. А как она решается, мы рассмотрим ниже.
Главные требования к управлению задвижкой
Управляя работой такой арматуры, важно соблюсти следующие условия:
- Клин задвижки должен находиться в положении «открыто» или «закрыто». Такая арматура не может использоваться для регуляции силы потока. Если ее рабочий элемент слишком долго будет пребывать в полузакрытом состоянии, сила потока его деформирует. После этого задвижку невозможно будет ни герметично закрыть, ни полностью открыть. Поэтому процесс открывания и закрывания устройства должен быть по возможности быстрым.
- Слишком резкое перекрывание или открывание задвижки также нежелательно. Это может привести к гидроудару в системе, особенно если речь идет о трубе большого диаметра, по которой поток движется с высокой скоростью. Чтобы избежать проблем, рабочий элемент задвижки необходимо перемещать плавно.
- На трубах больших диаметров и с высокими скоростями потока для управления задвижкой требуются серьезные усилия. Это трудно, а иногда и просто невозможно сделать вручную, при помощи обычного маховика. Чтобы облегчить и упростить задачу, в таких случаях для управления арматурой приходится использовать механические редукторы или разнообразные приводные механизмы. Ниже мы рассмотрим механизм действия этих устройств.

Ручное управление при помощи маховика. Механический редуктор
Классическим управляющим элементом задвижки является маховик. При его вращении усилие передается на шпиндель арматуры, который поднимается или опускается и, соответственно, поднимает или опускает затвор. Шпиндель у задвижки может быть выдвижным или невыдвижным. В первом случае он поднимается над маховиком настолько, насколько поднят клин. У задвижек с невыдвижным шпинделем эти перемещения происходят внутри корпуса.
Если из-за большого диаметра трубы вращать обычный маховик становится трудно, на задвижку устанавливают механический редуктор. Он преобразует усилие так, что управляющий маховик можно легко повернуть без больших затрат энергии. Такое устройство позволяет облегчить работу с арматурой, не применяя приводов.
Приводные механизмы для управления задвижкой
Для открывания и закрывания арматуры используются:
- электроприводы;
- гидроприводы;
- пневматические приводы.
Эти механизмы не только облегчают управление задвижками больших диаметров, которые требуют существенных усилий для перемещения рабочего элемента. Они нередко используются и с арматурой небольшого Ду. Дело в том, что приводные механизмы позволяют организовать дистанционное управление задвижкой или автоматизировать процесс открывания и закрывания устройства, связав его с любыми рабочими параметрами системы (давлением, температурой, расходом среды, состоянием насосов и пр.). Чаще всего при автоматизации задвижек используют электропривод, так как он проще в установке и управлении.

Электропривод задвижки: принцип работы и автоматизация
Основным элементом электроприводного механизма является асинхронный двигатель. Его усилие при работе передается по цепи от выходного вала на червячный редуктор и далее на выходной винт задвижки. Этот винт опускается или поднимается, а вместе с ним опускается или поднимается затвор арматуры.
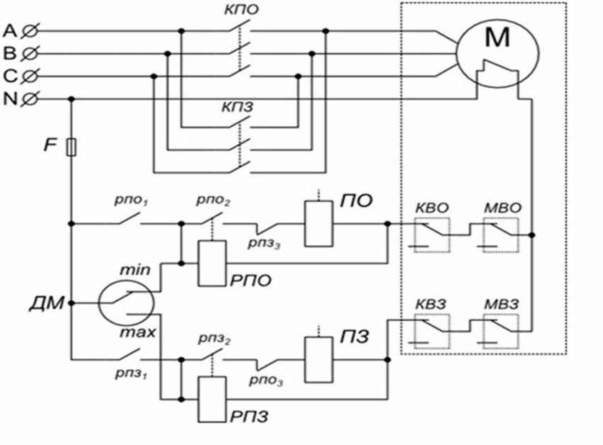
Чтобы вовремя остановить работу двигателя, в электроприводе разработан механизм микровыключателей КВО и КВЗ. От выходной шестерни редуктора вращение передается дискам с кулачками. При открывании задвижки кулачки поворачиваются вправо и переключают контакты КВО, при закрывании арматуры – наоборот, кулачки движутся влево и переключают КВЗ. Диски с кулачками размещены так, что микровыключатели срабатывают в момент, когда затвор достигает крайнего положения. КВО переключается при полном открытии задвижки, КВЗ – при полном закрытии. Таким образом, двигатель не может остановиться, если затвор находится в полуоткрытом состоянии, что предупреждает деформацию рабочего элемента потоком.
Режимы управления
Электроприводом задвижки можно управлять в трех режимах:
- дистанционном;
- автоматическом;
- наладочном.
Если необходимо управлять работой задвижки на расстоянии, например, с диспетчерского пульта, выбирают дистанционный режим работы. Чтобы перевести привод в этот режим, нужно:
- переключатель 1ПУ установить в положение «Дистанционный»;
- тумблер 2ВБ переключить в положение «Включен»;
- тумблер 1ВБ установить в положение «Выключен».
Управление питанием осуществляется через выключатель В.

Электрическая схема работы привода в дистанционном режиме
Управление задвижкой с электроприводом происходит следующим образом (на примере открытия арматуры):
- Оператор нажимает кнопку 1КУ.
- Включается реле 1РП.
- Замыкается цепь питания катушки пускателя ПО.
- Пускатель включается и запускает электродвигатель.
- Во время работы двигателя затвор поднимается и задвижка открывается.
- При достижении затвором крайнего верхнего положения поворачиваются диски с кулачками и срабатывает микровыключатель КВО.
- На КВО размыкается контакт КВО1, и пускатель ПО выключается. Вместе с ним останавливается и двигатель привода.
- Одновременно с размыканием КВО1 происходит замыкание КВО2, который включает сигнальную лампочку ЛО. Она сообщает оператору, что задвижка открыта.
На этом процесс открытия арматуры завершается. Закрытие задвижки происходит аналогично, после нажатия кнопки 2КУ. В конце движения затвора срабатывают контакты КВЗ и загорается лампочка ЛЗ.
Кроме описанных цепей, в электроприводе задвижки существует и простейшая система сигнализации. Она основана на полупроводниковых диодах и сообщает о полном открытии или закрытии затвора посредством лампочек ЛО и ЛЗ.
Автоматический режим работы электропривода
Управление задвижкой может осуществляться автоматически, без участия оператора. Для перевода электропривода в автоматический режим нужно:
- Переключатель 1ПУ установить в положение «Автомат»;
- Выключатель ВК переключить в положение «Включен»;
- Тумблер 1ВБ установить в положение «Выключен»;
- Тумблер 2ВБ переключить в положение «Включен».
Механизм работы электропривода в автоматическом режиме похож на таковой при дистанционном управлении. Только замыкание контактов 1РК и 2РК происходит не при нажатии кнопки, а через подачу соответствующей команды со схемы контроля. Далее включается пускатель ПО (при открытии задвижки) или ПЗ (при закрытии) и запускается работа электродвигателя. Результат выполнения команды отображается загоранием сигнальных лампочек ЛО или ЛЗ.
Наладочный режим работы электропривода
Данный режим используется не для управления задвижкой, а для наладки работы электропривода после монтажа или ремонта устройств. Для перевода механизма в наладочный режим нужно:
- Тумблер 1ВБ установить в положение «Включено»;
- Автоматический выключатель АВ включить (он подает в схему управления питание).
Для открывания задвижки нажимается кнопка 4КУ. После ее нажатия питание подается на пускатель ПО. Он осуществляет следующее:
- Замыкает контакт ПО1 (он находится в цепи самоблокировки). Замыкание способствует запоминанию команды.
- Размыкает контакт ПО2 (расположен в цепи взаимной блокировки). Это предотвращает подачу ложной команды.
- Замыкает три контакта ПО3, в результате чего включается двигатель. Он поднимает рабочий элемент задвижки.
При полном открытии задвижки кулачок диска размыкает контакт КВО, что отключает пускатель ПО. Двигатель останавливается, и затвор прекращает движение. Закрытие задвижки происходит аналогично, но после нажатия кнопки 5КУ.
Защита в схеме электропривода задвижки
При управлении задвижкой могут возникать нештатные ситуации. Чтобы предупредить аварии на трубопроводе и поломки электроприводного механизма, в его схеме предусмотрена защита нескольких типов:
- Кнопка 3КУ – аварийное ручное выключение двигателя.
- Нулевая защита (минимального напряжения). Срабатывает при отключении или критическом снижении напряжения в сети. Предупреждает самозапуск двигателя при внезапном восстановлении напряжения.
- Электрическая блокировка. Не допускает одновременного срабатывания пускателей ПО и ПЗ. Осуществляется простым включением размыкающего контакта ПЗ в цепь питания ПО и наоборот.
- Защита от перегрузок. Предупреждает перегрузку двигателя в случае заклинивания задвижки. При возникновении проблемы размыкаются контакты микровыключателя ВМ (это выключатель муфты предельного момента). Микровыключатель, находящийся в общей цепи питания ПО и ПЗ, отключает оба пускателя и прекращает работу двигателя.
- Максимальная защита – от высоких кратковременных нагрузок и тока коротких замыканий. Срабатывает благодаря плавким предохранителям или электромагнитным расцепителям.
Кроме того, в схеме электропривода задвижки предусмотрены устройства защиты и управления ПКП1Т, ПКП1И и др. Они позволяют останавливать электропривод без задействования концевых выключателей, следить за текущим положением затвора, прекращать работу привода в аварийных ситуациях. Также в ПКП1 можно вмонтировать модуль интерфейса для осуществления электронного управления. В этом случае появляется возможность запрограммировать электропривод на работу с нужными параметрами в различных условиях или в разное время.
Таким образом, управлять задвижками можно по-разному, но электроприводной механизм позволяет осуществлять управление наиболее легко и точно. Если вы хотите купить задвижку с электроприводом, обращайтесь в «Компанию Север». Наши специалисты проконсультируют вас по всем вопросам относительно управления арматурой и помогут подобрать устройство с нужным приводным механизмом.
https://severarm.ru/stati/upravlenie-zadvizhkami.html